| 品牌 | 其他品牌 | 变形测量范围 | 0-5mm |
|---|---|---|---|
| 标距范围 | 80-260mm | 价格区间 | 1千-1万 |
| 产地类别 | 国产 | 应用领域 | 道路/轨道/船舶,钢铁/金属,航空航天,汽车及零部件,综合 |
YYU-5/80-260-SHB
钢筋接头残余变形引伸计 钢筋残余变形测量仪

YYU-5/80-260mm型钢筋接头残余变形引伸计,是按照《JGJ 107 2016 钢筋技术连接技术规程》的技术要求设计的,专门用于测试钢筋接头残余变形的双向平均引伸计,其标距可以根据钢筋直径要求进行调整。
符合《JGJ 107 2010 钢筋技术连接技术规程》的技术要求。
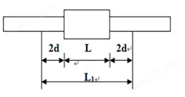
变形测量标距:

L1=L+4d
式中: L1——变形测量标距;
L ——机械接头长度;
d ——钢筋公称直径。
一 、技术指标:
1 标距:
80~260mm连续可调,适应直径12~40mm的测试要求。
2 测量范围:
最大拉伸量程5mm,满足所有规格钢筋接头试样拉伸。
3 准确度等级 满足0.5级引伸计要求。
拉伸最大测量范围5mm.。 0~1.5mm内进回程误差达到0.5级引伸计要求(满足0.6fyk残余伸长测试要求),
二、 该引伸计特点
1 选择两只输出灵敏度一致的引伸计,根据应变式传感器组桥原理,直接将两只引伸计组合成一只引伸计,以获得两只引伸计的实时平均应变输出,从而使测量简单化,改进了以前通过两个放大通道进行分别标定、求和、取平均值的繁琐的计算。
2 根据钢筋接头样品试样多样化的特点,设计了可随意调整夹持力的方法。
3 在现场,实验员可独自进行装卡引伸计的操作,使用极为方便。
三、引伸计的工作条件:
1、室温10℃~35℃范围内;
2、相对湿度不大于80%;
3、周围无震动、无腐蚀性介质和无较强电磁场干扰的环境中;
4、电源电压5~6V,其波动范围应在额定电压的±10%以内。
四、引伸计的检验条件:
除满足上面的条件外还应满足:
1、 温度18℃~28℃,标定时温度的波动应在±2℃以内;
2、 相对湿度不大于75%;
3、 无明显空气流动。
五、引伸计的装卡
用两手指轻轻捏住引伸计,将引伸计皮筋卡在试件上,使刃口的中部与试样接触,通过引伸计挂钩,用橡皮筋(或弹簧夹)将引伸计固定在试样上。
注意事项:加持力应适当,两刀口中心线应与试样轴线平行,刀口对中。