ZBT-30A型 纸杯杯身挺度仪

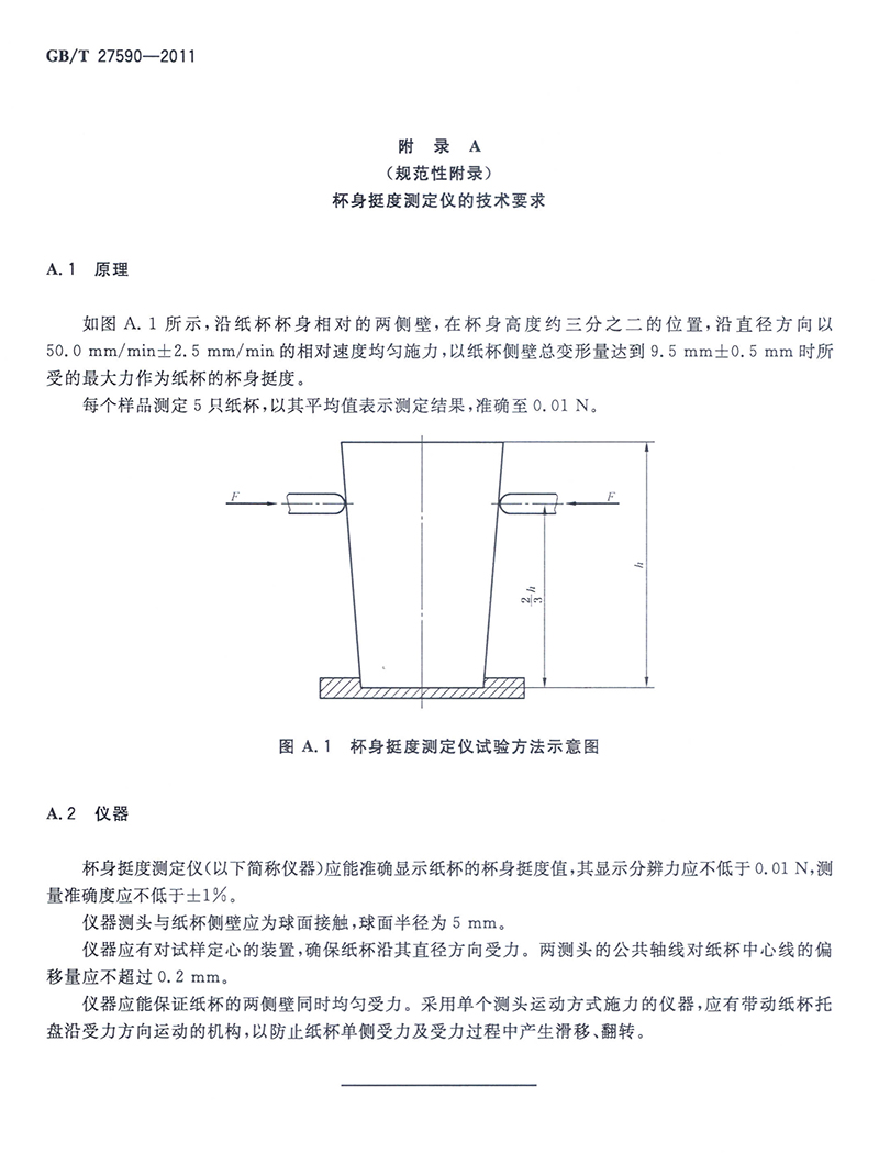
一、【适用范围】 纸杯纸碗挺度测定仪是纸杯杯身挺度检测的专用仪器。该仪器是根据QB/T2294(纸杯)、GB/T27590(纸杯)标准对仪器的基本要求和JJG157《非金属拉力、压力和万能试验机》的通用技术要求设计的。是纸杯及相关科研、质检部门常备的仪器。 二、【符合标准】 GB/T27590-2011、 QB/T 2294、JJG157等 三、【仪器特性】 1、高精度 采用高精度测力传感器和美国进口芯片处理系统,测量示值准确。 2、重复性好 测试系统中,两测量头通过精密丝杆带动作相对运动,试验速度精确、恒定。测试结果重复性好。测试速度和测头相对移动距离等可以在一定范围内任意设定,提高了仪器的适用性,该功能对科研、检测机构具有十分重要的意义。 3、使用方便,易于操作,触摸屏中文显示,友好人机界面操作。全自动完成测试,具有测试数据统计处理功能,微型打印机输出,也可选配连接电脑操作。连接电脑时,除了可自动记忆储存结果外,还可以显示抗压曲线并保存。 四、【技术参数】 1、测量范围: 0~30N(可选10、20、50N); 2、分辨力: 0.01N; 3、示值准确度: ±1%; 4、试验速度: 50±0.1mm/min (5~100 mm/min可调); 5、测头相对移动距离: 9.5±0.1mm(1~50mm 可调); 6、测头对中性: ≤0.2mm; 7、测头球面半径: 5mm; 8、两测头开距: 40--130mm; 9、数据输出方式: 热敏打印机; 10、数据存储数量: 99组; 11、外形尺寸: 500×270×330mm; 12、质量: 约18kg; 
|